電話:021-62522001
作者:黑金剛電容 發布時間:2020-07-31 11:40:26 訪問量:6958 來源:NCC電容
螺絲端子型鋁電解電容器 RWX系列
● RWF系列的高容量化。
●保證壽命85℃ 5,000小時。
●最適合于UPS設備和伺服壓力機等重視容量性能的用途。
◆規格表

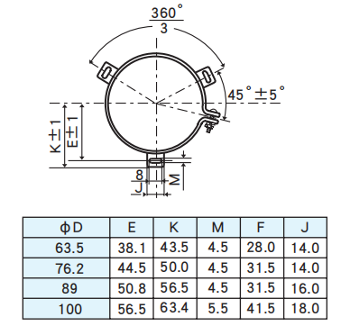
◆尺寸圖 (CE331 形)[mm]
●端子代碼:LG

●綁帶代碼:B

●綁帶代碼:C:標準

<端子螺絲規格>
~φ89 十字六角長螺絲 M5×0.8×10 φ100 十字圓型小螺絲 M8×1.25×16
螺絲擰緊最大容許轉距 3.23N·m 彈簧墊圈 平墊圈
螺絲擰緊最大容許轉距 6.31N·m
(注1) 端子螺絲及安裝綁帶分批交貨為標準規格。
◆產品型號體系

產品型號代碼的詳細介紹請參考「產品型號的表示方法 (螺絲端子型)」。
◆標準品一覽表


◆額定紋波電流頻率修正系數
紋波頻率與標準品一覽表的規定值相異時,請使用小于乘以下表系數所得之值的值。
●頻率修正系數

※ 鋁電解電容器由于在紋波電流疊加時自我發熱、溫度上升而老化,每升溫 5 ~ 10℃壽命減少一半。
要想保持長壽命請在使用過程中降低紋波電流。 此外, 額定電壓的 80% 以上到額定電壓范圍內可通過降低電壓延長壽命。
相關資訊推薦:
聲明:本文由櫻拓貿易收集整理關于 黑金剛電容相關的《螺絲端子型鋁電解電容器 RWX系列》,如轉載請保留鏈接:http://www.htlaws.com.cn/news_in/573。